CRANKCASE COMP

  • Výrobce  LINHAI
  • Kód produktu  LINHAI_1_135_ATV200-D_T3b
Vybrat MODEL:
Ref. č Obr. Kód p. Popis Počet v daném rozkresu Cena za 1 ks dostupnost
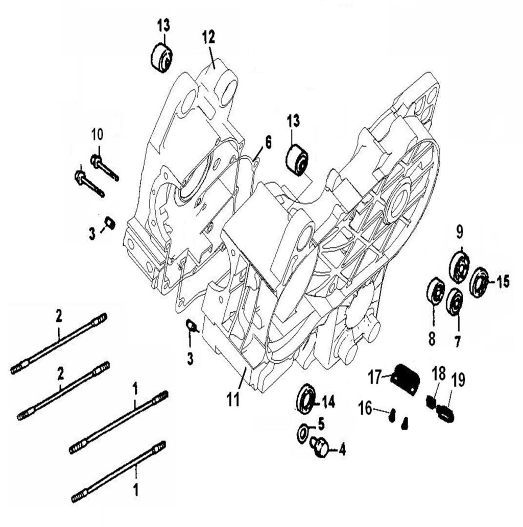
3 DOWEL PIN 8X14 (Ref. č 3) 50076 DOWEL PIN 8X14  8 Cena bez DPH 56,20 Kč Cena s DPH 68 Kč
NA DOTAZ
17 29538 INTERLOCK BRACKET  1
NA DOTAZ
Detail
14 OIL SEAL 19.8X30X5 (Ref. č 14) 50104 OIL SEAL 19.8X30X5  1 Cena bez DPH 89,26 Kč Cena s DPH 108 Kč
SKLADEM
13 50092 BUSH ENGINE HANGER RUBBER  2
NA DOTAZ
Detail
10 10505 BOLT FLANGE 6X50  2
NA DOTAZ
Detail
2 4080085 BOLT STUD 8X187  2
NA DOTAZ
Detail
1 4080084 BOLT STUD 8X195  2
NA DOTAZ
Detail
19 INTERLOCK PIN (Ref. č 19) 21211 INTERLOCK PIN  1 Cena bez DPH 104,13 Kč Cena s DPH 126 Kč
SKLADEM
16 10305 BOLT M5X10  2 Cena bez DPH 205,79 Kč Cena s DPH 249 Kč
NA DOTAZ
15 OIL SEAL 27X42X7 (Ref. č 15) 2531562 OIL SEAL 27X42X7  1 Cena bez DPH 51,24 Kč Cena s DPH 62 Kč
SKLADEM
12 CRANKCASE ASSY RIGHT(200cc) (Ref. č 12) 29576 CRANKCASE ASSY RIGHT(200cc)  1 Cena bez DPH 1 680,99 Kč Cena s DPH 2 034 Kč
NA DOTAZ
11 CRANKCASE ASSY LEFT(200cc) (Ref. č 11) 29575 CRANKCASE ASSY LEFT(200cc)  1 Cena bez DPH 2 593,39 Kč Cena s DPH 3 138 Kč
SKLADEM
9 BEARING 6204 (Ref. č 9) 10062 BEARING 6204  1 Cena bez DPH 173,55 Kč Cena s DPH 210 Kč
SKLADEM
8 Ball Bearing 6203 (Ref. č 8) 10199 Ball Bearing 6203  1 Cena bez DPH 109,09 Kč Cena s DPH 132 Kč
SKLADEM
6 GASKET CRANKCASE(200cc) (Ref. č 6) 29577 GASKET CRANKCASE(200cc)  1 Cena bez DPH 75,21 Kč Cena s DPH 91 Kč
SKLADEM
5 WASHER 12 (Ref. č 5) 1309283 WASHER 12  1 Cena bez DPH 56,20 Kč Cena s DPH 68 Kč
SKLADEM
4 DRAIN BOLT M12X1.5 (Ref. č 4) 50105 DRAIN BOLT M12X1.5  1 Cena bez DPH 56,20 Kč Cena s DPH 68 Kč
SKLADEM
18 29539 SPRING  1
NA DOTAZ
Detail
Kód produktu LINHAI_1_135_ATV200-D_T3b
TYP ROZKRESU: ENGINE PARTS
Vybrat ZNAČKU: LINHAI
Vybrat MODEL: 200 T3b
Vybrat TYP: LINHAI 200